Email: Frank Emge
Chicago Photo by Frank Emge © 2011
     
Illustratiion
Illustratiion
Illustratiion
Computer Art
Nuclear Art
Retouch
Illustratiion
Illustratiion
Illustratiion
Retouch
Gasification Art
Computer Art
Illustratiion
Illustratiion
Illustratiion
Illustrator Diagram
Boeing Flight Deck
777 Photoshop Art
Illustratiion
Illustratiion
Illustratiion
Skid Instructions
3D Topo on DEM
Lockheed Cargo Ship
Illustratiion
Illustratiion
Illustratiion
4' x 8' Poster
Lockheed Cable Ship
4' x 6' Poster
Illustratiion
Illustratiion
Illustratiion
Feeder Instructions
Retirement Gift
Pen and Ink
Illustratiion
Illustratiion
Illustratiion
Proposal Cable Winch
Lock Block
Bracket Instructions
Illustratiion
Illustratiion
Illustratiion
Instructions
Pen and Ink
747 Airbrush Art
Illustratiion
Illustratiion
Illustratiion
Modular Construction
Gear Pump
Drill
Illustratiion
Illustratiion
Illustratiion
Cable Cutter
Design & Retouch
Wristband
Illustratiion
Illustratiion
Illustratiion
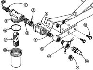
Filter Instructions
Coal Flow Diagram
Adobe Illustrator Art
Illustratiion
Illustratiion
747 Airbrush Art
 
Photoshop Art