Home
Resume
Design
Illustration
3D Modeling
Production
Video
Photography
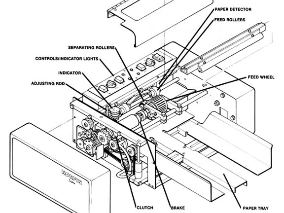
Paper Feeder Owners Manual illustration drawn with pen and ink
Using the feeder for reference, I produced this illustration for the Owners Manual.